Loading...
Plastic Gear
Your trusted partner
The factory qualification rate of the product is 100%
Service Hotline:
13567772437
Home
About
About Us
Company Culture
Enterprise Honor
Plant Equipment
Products
DC power socket series
2.5/3.5 headphone jack series
AV (RCA) same core socket series
CK6.35 socket series
GQ optical fiber socket series
S terminal socket series
XLR(DY) Connector Series
XLR(PJ) audio combination socket series
HP(SPEAKON) audio socket series
KFC Touch Switch Series
KCD boat-shaped (warped) switch series
WP external wiring clamp series
Battery holder series
USB/HDMI socket series
AC power socket series
Fuse holder series
SS Toggle switch series
Key-press switch series
Flashlight switch series
CS Skater socket series
RJ11 Network Socket series
RJ45 Network socket series
Booth series
IF RF plug series
Toggle switch
Wire harness
News
Company News
Industry News
Download
Contact
Chinese
Your location:
Home
-
Product Center
-
RJ45 Network socket series
-
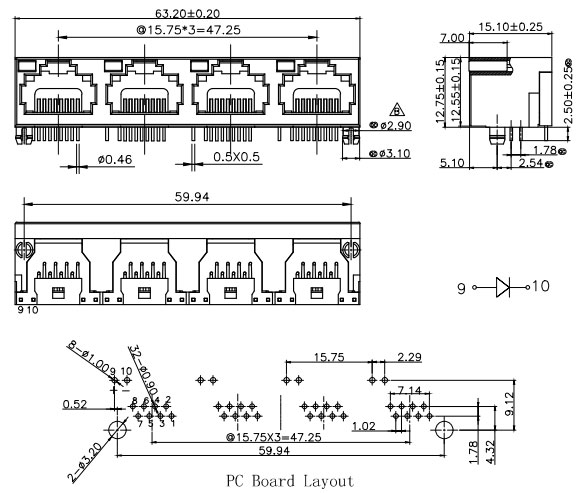
98 Series
-
9807-1X4-全塑-圆针-平头灯
Products Category
DC power socket series
2.5/3.5 headphone jack series
AV (RCA) same core socket series
CK6.35 socket series
GQ optical fiber socket series
S terminal socket series
XLR(DY) Connector Series
XLR(PJ) audio combination socket series
HP(SPEAKON) audio socket series
KFC Touch Switch Series
A series 2x4 side press
A Series 3x3 press on
A series 3x4 side press
A series 3x4 Press right
B series 3x6 side press
B series 3x6 Press straight
C Series 4.5x4.5 Holding down
C Series 5.2x5.2 Pressing
C Series 5x5 Ultra thin
D Series 6x6 side press
D Series 6x6 Press right
D Series 6x6 Medium two legs
E Series 6.2x6.2 DV
E Series 6.2x6.2 Press on
F series 12x12
G series waterproof type
H Series 6x6 with light
KCD boat-shaped (warped) switch series
KCD1-104
KCD1-106
KCD1-107
KCD1-108
KCD1-110
KCD1-115
KCD1-116A
KCD1-AP
KCD1-B
KCD1-B2
KCD1-B3
KCD1-C1
KCD2
KCD3-1
KCD3-2
KCD4-201
KCD4-C1
KCD5-A2
KCD5-B
KCD11
KCD12-A
KCD13
WR waterproof switch
WP external wiring clamp series
WP external wiring socket
WP terminal post
Battery holder series
USB/HDMI socket series
USB2.0
USB3.0
HDMI socket
AC power socket series
Fuse holder series
SS Toggle switch series
Key-press switch series
Flashlight switch series
CS Skater socket series
RJ11 Network Socket series
RJ45 Network socket series
52 180 degree in-line series
56 Latch down
80 Latch up
81 Ultra-thin series
82 RJ45+USB series
84 SMT Series
88 Double Layer Series
95 Series
96 Series
98 Series
99 Latch down
Booth series
IF RF plug series
Toggle switch
Wire harness
Electronics Wire harness
Rail harness
Aviation harness
Home appliance harness
Monitoring harness
Building intelligent harness
Automotive wiring harness
9807-1X4-全塑-圆针-平头灯
Contact Us
Tel:0577-6225 8933
Fax:0577-6239 6767
Email:betters_cn@163.com
Site:www.betters.cc
Product Description
Previous:
9807-1X3-全塑-圆针-平头针
Next:
9807-1X8-全塑-左有灯-圆针
Back