Loading...
电子元器件
您身边值得依赖的合作伙伴
乐清市
犇特电子
有限公司
服务热线:
13567772437
网站首页
关于我们
公司简介
企业文化
企业荣誉
厂房设备
产品中心
DC直流电源插座系列
2.5/3.5耳机插座系列
AV(RCA)同芯插座系列
CK6.35插口系列
GQ光纤插座系列
S端子插座系列
XLR(DY)连接器系列
XLR(PJ)音响组合插座系列
HP(SPEAKON)音响插座系列
KFC轻触开关系列
KCD船形(翘板)开关系列
WP外接线夹系列
电池座系列
USB/HDMI插座系列
AC电源插座系列
保险丝管座系列
SS拨动开关系列
按键开关系列
电筒开关系列
CS斯卡特插座系列
RJ11网络插座系列
RJ45网络插座系列
卡座系列
IF射频插头系列
钮子开关
线束接插件系列
解决方案
新闻资讯
公司新闻
行业资讯
人才战略
客户服务
联系我们
留言中心
English
您的位置:
首页
-
产品中心
-
卡座系列
-
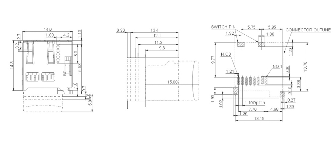
IF02-30-1000
产品中心
DC直流电源插座系列
2.5/3.5耳机插座系列
AV(RCA)同芯插座系列
CK6.35插口系列
GQ光纤插座系列
S端子插座系列
XLR(DY)连接器系列
XLR(PJ)音响组合插座系列
HP(SPEAKON)音响插座系列
KFC轻触开关系列
A系列2x4侧按
A系列3x3正按
A系列3x4侧按
A系列3x4正按
B系列3x6侧按
B系列3x6正按
C系列4.5x4.5正按
C系列5.2x5.2正按
C系列5x5超薄型
D系列6x6侧按
D系列6x6正按
D系列6x6中两脚
E系列6.2x6.2二DV
E系列6.2x6.2正按
F系列12x12
G系列防水型
H系列6x6带灯
KCD船形(翘板)开关系列
KCD1-104
KCD1-106
KCD1-107
KCD1-108
KCD1-110
KCD1-115
KCD1-116A
KCD1-AP
KCD1-B
KCD1-B2
KCD1-B3
KCD1-C1
KCD2
KCD3-1
KCD3-2
KCD4-201
KCD4-C1
KCD5-A2
KCD5-B
KCD11
KCD12-A
KCD13
WR防水开关
WP外接线夹系列
WP外接线插座
WP接线柱
电池座系列
USB/HDMI插座系列
USB2.0
USB30
HDMI插座
AC电源插座系列
保险丝管座系列
SS拨动开关系列
按键开关系列
电筒开关系列
CS斯卡特插座系列
RJ11网络插座系列
RJ45网络插座系列
52 180度直插系列
56 Latch down系列
80 Latch up系列
81 超薄型系列
82 RJ45+USB系列
84 SMT系列
88 双层系列
95 系列
96 系列
98 系列
99 Latch down系列
卡座系列
IF射频插头系列
钮子开关
线束接插件系列
电子线束
轨道线束
航空线束
家电线束
监控线束
楼宇智能线束
汽车线束
IF02-30-1000
联系我们
电话:0577-6225 8933
传真:0577-6239 6767
邮箱:betters_cn@163.com
网址:www.betters.cc
产品描述
上一篇:
IF01-30-1000
下一篇:
IF03-30-1000
返 回